

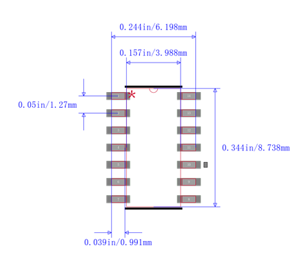
74HC00D SOP-14 74HC00 SOP SN74HC00DR

Package includes:
1 X 74HC00D SOP-14 74HC00 SOP SN74HC00DR
Note: all the descriptions and prices are subject to change without prior notice.
Free Shipping: No
Shipping Weight/Unit(g): 0.00
Std. Packing Qty. (pcs): 1